Work
Contact
Mini painting and 3D printing
Work
Contact
Mini painting and 3D printing
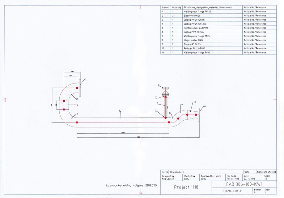
Piping Design
You may also like
Mechanical Design
2022
Misc technical design
2022
↑
Back to Top